Auto
0
0
Piezvani: +37122525055
Par mums
Maksājumi
Kontakti
Privātums
Salīdzini:
0
Valoda:
LV
Latviešu
English
Riepas
Šķidrumi
Ziņas
Ražotāji
Atrunas
Noteikumi & nosacījumi
Sīkfailu politika
Privātuma politika
Piegādes politika
Maksājumu politika
Izvēlies auto
Izvēlies auto, lai atrastu piemērotas detaļas
Lai izmantotu šo funkcionalitāti, nepieciešama autorizācija
0
Sveiks, Ienāc
Mans konts
Autorizējies kontā
E-pasts
Parole
Aizmirsi?
Autorizēties
Izveidot kontu
Ienākt ar Google
0
Grozs
0 EUR
Skatīt Grozu
Pasūtīt
Tukšs grozs
Kopā
0 EUR
REMSCHIJF 8DD VPE: 1
Saderīgs ar FORD TRANSIT Autobuss (FD_ _, FB_ _, FS_ _, FZ_ _, FC_ _) , FORD TRANSIT Furgons (FA_ _) , FORD TRANSIT Platforma/Šasija (FM_ _, FN_ _)
Parādīt vairāk informāciju
85.19 EUR
ar PVN 21%
Var pasūtīt
Pievienot
Noņemt
Vēlmju saraksts
Noņemt
Salīdzini
Delivery
11 dienas
Kods
8DD355108121
Ražotājs
HELLA
EAN
4082300372786
Apraksts
Specifikācija
Alternatīvas
Saderība
OE numuri
Apraksts nav pieejams
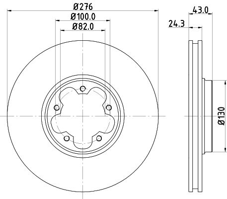
Bremžu diska tips
ar iekšējo ventilāciju
Ārējais diametrs [mm]
276
Bremžu diska biezums [mm]
24,3
Augstums [mm]
43
Minimālais biezums [mm]
22,1
Virsma
pārklāts
Skrūvju loks-Ø [mm]
+100
Centrējošais diametrs [mm]
82
Urbumu izvietojums/skaits
05/05
Papildu artikuls/Papildu info 2
bez riteņa rumbas
Papildu artikuls/Papildu info 2
bez riteņu stiprināšanas skrūvēm
Masa [kg]
6,1
Extra Large
FORD
TRANSIT Autobuss (FD_ _, FB_ _, FS_ _, FZ_ _, FC_ _)
2.0 DI (F_E_, F_F_, F_G_) (55kW/75PS)
2.0 DI (F_E_, F_F_, F_G_) (74kW/100PS)
2.0 DI (F_E_, F_F_, F_G_) (63kW/86PS)
2.0 TDCi (F_F_, F_E_, F_G_) (92kW/125PS)
TRANSIT Furgons (FA_ _)
2.0 DI (FAE_, FAF_, FAG_) (55kW/75PS)
2.0 DI (FAE_, FAF_, FAG_) (74kW/100PS)
2.0 DI (FAE_, FAF_, FAG_) (63kW/86PS)
2.0 TDCi (92kW/125PS)
2.4 TD (55kW/75PS)
TRANSIT Platforma/Šasija (FM_ _, FN_ _)
2.0 DI (F_E_, F_F_) (55kW/75PS)
2.0 DI (F_E_, F_F_) (74kW/100PS)
2.0 DI (F_E_, F_F_) (63kW/86PS)
2.0 TDCi (F_E_, F_F_) (92kW/125PS)
TRANSIT TOURNEO Autobuss (FC_ _)
2.0 (92kW/125PS)
2.0 (55kW/75PS)
2.0 (74kW/101PS)
FORD
1456667
1473008
1520371
1568654
1738807
1C1J1125A1D
1C1J1125A2D
1C1J1125AB
1C1J1125AC
1C1J1125AD
1C1W1125AA
1C1W1125AB
4 041 427
4 395 257
K1W1125AA
MERITOR
MBR6002
Izvēlne
Latviešu
Valoda
Latviešu
English
0
Vēlmju saraksts
Profils
0
Grozs
Salīdzini
Sākums
Ziņas
Ražotāji
Riepas
Šķidrumi
Maksājumi
Par mums
Sazinieties ar mums
Maksājumu politika
Piegādes politika
Privātuma politika
Noteikumi & nosacījumi
Sīkfailu politika
Piezvani
+37122525055
0
Atjaunināts
Meklēt katalogā
Izvēlies auto, lai atrastu piemērotas detaļas
Lai izmantotu šo funkcionalitāti, nepieciešama autorizācija
Atcelt
Loading...
Izvēlies skaitu:
Pievienot
Šī vietne izmanto sīkfailus, lai uzlabotu lietošanas pieredzi.
Uzzināt vairāk
Piekrītu visiem
Noraidīt
Pielāgot
×
Sīkfailu iestatījumi
Obligātie (vienmēr aktīvi)
Analītiskie (piem. Google Analytics)
Saglabāt izvēli
Iestatījumi saglabāti!